


雙排球式回轉支承(02系列)
結構特點、性能、適用范圍
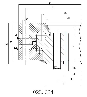
雙排球式回轉支承具有三個座圈,鋼球和隔離塊可直接排入上下滾道,根據受力狀況,安排了上下兩排直徑不同的鋼球。這種開式裝配非常方便,上下圓弧滾道的承載角都為90°,能承受很大的軸向力和傾翻力矩。當徑向力大于0.1倍的軸向力時滾道須特殊設計。雙排球式回轉支承的軸向、徑向尺寸都比較大,結構緊固。特別適用于要求中等以上直徑的塔式起重機,汽車起重機等裝卸機械上。
![]()
注:
1、n1為潤滑油孔數,均布:油杯M10×1 JB/T7940.1-JBT7940.2
2、安裝孔n-dn1、n-dn2可改用螺孔;齒寬b可改為H-h。
3、表內齒輪圓周力為最大圓周力,額定圓周力取其1/2。
4、內齒修頂系數0.2。
