


三排滾柱式(13系列)
結構特點、性能、適用范圍
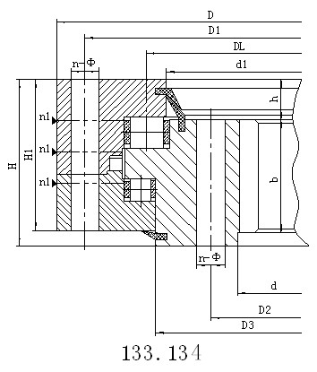
三排滾柱式回轉支承有三個座圈,上下及徑向滾道各自分開,使得每一排滾柱的負載都能確切地加以確定。能夠同時承受各種載荷,是四種產品中承載能力很大的一種,軸、徑向尺寸都較大,結構牢固,特別適用于要求較大直徑的重型機械,如斗輪式挖掘機、輪式起重機、船用起重機、港口起重機、鋼水運轉臺及大噸位汽車起重機等機械上。
![]()
注:
1、n1為潤滑油孔數,均布:油杯M10×1 JB/T7940.1-JB/ T7940.2
2、安裝孔n-dn1、n-dn2可改用螺孔;齒寬b可改為H-h。
3、表內齒輪圓周力為最大圓周力,額定圓周力取其1/2。
4、內齒修頂系數為0.2。
